网站支持IPV6
你好,
|
注销
|
移动版
闽政通APP
登录
|
注册
|
移动版
闽政通APP
国务院
省政府
市政府
首页
政务公开
公告公示
财政资金
规划计划
政府信息公开
政策文件库
解读回应
办事服务
互动交流
12345便民服务平台
在线访谈
网上调查
意见征集
智能问答
政府违约失信投诉
走进罗源
历史搜索:
热门搜索:
三坊七巷消防救援站
长者模式
退出长者模式
无障碍浏览
当前位置:
首页
>
专题专栏
>
供水服务
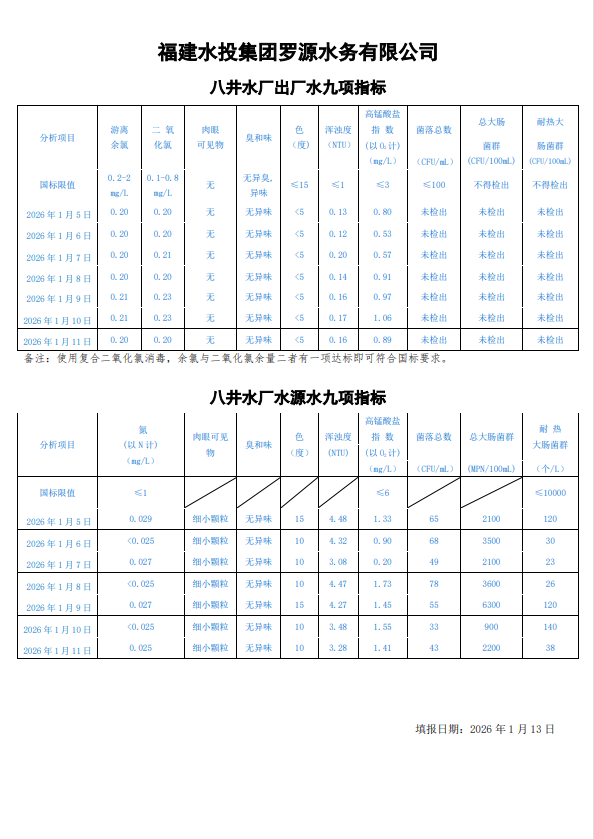
2026年1月5日-2026年1月11日八井水厂出厂水及水源水九项指标
来源:罗源县
发布时间: 2026-01-14 16:03
相关文档
附件下载
水质公示(八井2025.1.5-1.11).pdf
关闭